Jan Ernst Matzeliger
Jan Ernst Matzeliger (September 15, 1852 – August 24, 1889) was a biracial Surinamese-American inventor whose automated lasting machine brought significant change to the manufacturing of shoes.
Jan Ernst Matzeliger | |
|---|---|
![]() Jan Ernst Matzeliger in 1885 | |
| Born | 15 September 1852 |
| Died | 24 August 1889 (aged 36) Lynn, Massachusetts, U.S. |
Biography

Matzeliger was born in Dutch Guiana, now Suriname. His father, Ernst Matzeliger, was a third generation Dutchman of German descent living in the Dutch Guiana capital city of Paramaribo. He owned and operated the Colonial Shipworks that had been in his family for three generations. His mother was a house slave of African descent; she lived on the plantation of which his father was the owner for a time. At the age of ten, Jan Matzeliger was apprenticed in the Colonial Ship Works in Paramaribo, where he demonstrated a natural aptitude for machinery and mechanics. He left Dutch Guiana at age 19, and worked as a mechanic on a Dutch East Indies merchant ship for several years before settling in Philadelphia, Pennsylvania, where he first learned the shoe trade. By 1877, he spoke adequate English (Dutch was his native tongue) and moved to Massachusetts to pursue his interest in the shoe industry. He eventually went to work in the Harney Brothers Shoe factory.
In the early days of shoemaking, shoes were made mainly by hand. For proper fit, the customer's feet had to be duplicated in size and form by creating a stone or wooden mold called a "last" from which the shoes were sized and shaped. Since the greatest difficulty in shoemaking was the actual assembly of the soles to the upper shoe, it required great skill to tack and sew the two components together. It was thought that such intricate work could only be done by skilled human hands. As a result, this phase was not yet mechanized and shoe lasters held great power over the shoe industry. They would hold work stoppages without regard for their fellow workers' desires, resulting in long periods of unemployment for them.[1]
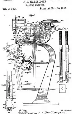
After five years of work, Matzeliger obtained a patent for his invention of an automated shoe laster in 1883.[2] A skilled hand laster could produce 50 pairs in a ten-hour day.[3] Matzeliger's machine could produce between 150 and 700 pairs of shoes a day, cutting shoe prices across the nation in half.[2]
Death and legacy
Matzeliger sacrificed his health working exhausting hours on his invention and not eating over long periods of time. He caught a cold which quickly developed into tuberculosis.[1] His early death in Lynn, Massachusetts from this disease meant he never saw the full profit of his invention. He died on August 24, 1889, three weeks shy of his 37th birthday.
Matzeliger's invention was perhaps "the most important invention for New England." His invention was "the greatest forward step in the shoe industry," according to the church bulletin of The First Church of Christ (the same church that took him as a member) as part of a commemoration held in 1967 in his honor. Yet, because of the color of his skin, he was not mentioned in the history books until recently.[1][4] In fact, contemporaries referred to him as the "Dutch nigger" and his machine as the "niggerhead laster,"[5][6] a term used in the apparel industry at the time for a certain type of fabric.[7]
A 29-cent US postal stamp was issued on September 15, 1991, in honor of Matzeliger. Designed by Barbara Higgins Bond, the stamp depicts Matzeliger and is a part of the Black Heritage Stamp Series.[8]
Patents
- 274,207, 3/20/1883, Automatic method for lasting shoe[9]
- 421,954, 2/25/1890, Nailing machine
- 423,937, 3/25/1890, Tack separating and distributing mechanism
- 459,899, 9/22/1891, Lasting machine
- 415,726, 11/26/1899, Mechanism for distributing tacks, nails, etc.
See also
References
- "Now Everyone Can Afford Decent Shoes". Archived from the original on August 21, 2012. Retrieved December 5, 2012.
- Lienhard, Jan H. "No. 522: Jan Matzeliger (transcript of radio show Engines of Our Ingenuity episode)". University of Houston. Retrieved 10 November 2017.
- Chamberlain, Gaius (23 March 2012). "Jan Matzeliger". The Black Inventor Online Museum. Adscape International, LLC. Archived from the original on 19 February 2012. Retrieved 10 November 2017.
- "Jan Ernst Matzeliger 'Lasting Machine'". Lemelson-MIT. Massachusetts Institute of Technology. Retrieved 29 February 2016.
- Smeulders, Valika (2016-06-01), "Matzeliger, Jan Ernst", African American Studies Center, Oxford University Press, doi:10.1093/acref/9780195301731.013.74508, ISBN 978-0-19-530173-1
- Kaplan, Sidney (January 1955). "Jan Earnst Matzeliger and the Making of the Shoe". The Journal of Negro History. 40 (1): 8–33. doi:10.2307/2715446. ISSN 0022-2992. JSTOR 2715446. S2CID 149459743.
- Tortora, Phyllis G.; Johnson, Ingrid (2013). The Fairchild Books Dictionary of Textiles (8th ed.). New York, NY: Bloomsbury Academic. p. 414. ISBN 9781609015350.
- "Arago: 1991 Black Heritage Series: Jan E. Matzeliger Issue". arago.si.edu. Retrieved 2019-10-23.
- "Thirds to melville S".
