Switched reluctance linear motor
Switched reluctance linear motors (SRLMs) (also known as linear switched reluctance motors (LSRMs), variable reluctance linear motor or switched reluctance linear machines) are a type of electric machines called linear motors which work based on the principle of a varying magnetic reluctance for force generation. The system can be used in reversed mode and then is called Switched Reluctance Linear Generator. The SRLMs consist of two parts: the active part or primary part and the passive or secondary. The active part contains the windings and defines two main types of LSRMs: transverse and longitudinal. It is longitudinal when the plane that contains the flux lines is parallel to the line of movement and transverse when it is perpendicular. Other classifications are considering the windings totally concentrated in one coil per phase or partially concentrated in two poles per phase (i.e., single-sided) or four poles per phase (double-sided).[2] Switched Reluctance motors have been used extensively in clocks and phonograph turntables before, but nowadays, with the rising emphasis on energy efficiency, SR motors are taking more prominent roles in appliances, industrial uses, and commercial and vehicular applications and they are getting traction in the linear applications due to their simplicity, robustness, economic rationality, and high fault tolerance ability as compared with the Linear Synchronous and Linear Induction motors. The SRLM has been researched widely and there are applications of SRLMs and generators for example in wave energy conversion[3] or hyperloop ultra high speed transportation system.[4] One of the main advantages of the SRLM is that it does not require the use of permanent magnets, which are considered a scarce material, so it enables it to be deployed over long distances.

History

The first switched reluctance motor was invented all in 1838 by W. H. Taylor in the United States[5] and was initially designed to propel locomotives. Then, in the 1920s, the synchronous reluctance motor was invented. These use a specially designed cageless rotor, eliminating rotor losses, with a magnetic field being generated inside the motor, which is guided through low reluctance paths. The field is rotated, which in turn pulls the rotor around to generate torque. The switched reluctance motor initially suffered from a lack of effective speed control. It was not until the 1970s, with the emergence of fast-switching electronics within variable speed drives (VSDs), that the synchronous reluctance motor was able to finally come into its own and reach performances comparable to that of conventional induction and permanent magnet motors.
The first switched reluctance linear motor ideas date back to the 1970s. In 1973, inventors Hi D Chai and Joseph P Pawletko from International Business Machines Corp patent a "Variable reluctance linear stepper motor". Then a linear stepper motor of the variable reluctance type was for serial printer applications. In 1977 J.W. Finch researcher on the Linear Vernier Reluctance Stepper Motor to replace a mechanical conveyor for a trolley. In 1988-89, Takamaya developed a linear motor based on the principle of variable reluctance. Patent proposals emerge in 1995, where inventors Matsukawa Koji and Saito Jin from Matsushita Electric Works Ltd (Panasonic Electric Works) in relation to an automatic door opening-closing device to reduce the ripple of the driving force. In the XXIst century, the SRLM technology has been validated in on-site pilot projects like the SeaTitan, developed by the Spanish company Wedge Global and thanks to the research carried out by researchers at CIEMAT with a laboratory in Spain to validate the technology.
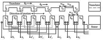
Working principle

A SRLM operates based on magnetic reluctance torque/force principle, which is proportional to current or flux density squared, inveresely proportional to gap length squared, this is why the airgap needs to be as small as possible. Stator windings currents are switched on and off to change the magnetic circuit formed by the rotor and the stator. A stator pole is energized by turning on its phase current. When there is no alignment between stator and rotor poles, the magnetic reluctance of the motor is high. Hence, the rotor tends to align with the energized stator poles which minimizes the reluctance of the magnetic circuit. The commutation of the stator windings should be precisely timed to ensure that a stator pole is energizing when a rotor pole is approaching. An encoder or a Hall effect sensor can be used to get the position feedback required to control the commutation. This is different from the Lorentz force where force is proportional to current and flux density.
Applications
The SRLM is particularly suitable for conveyor operation, since its method of operation is such that no relative motion is required for force to be produced. This contrasts with, for example, the linear induction motor, which depends on relative motion between the magnetic field and the conductors in which current is induced for force to be produced. This means that a reluctance motor can be designed to hold indefinitely, if required, at any particular position, before moving on to the next fixed position.

References
- Switched reluctance motors Presence, past and the future, retrieved 2023-06-09
- Garcia-Amoros, Jordi; Andrada, Pere; Blanque, Baldui (2020-09-09), "Linear Switched Reluctance Motors", Modelling and Control of Switched Reluctance Machines, IntechOpen, ISBN 978-1-78984-455-9, retrieved 2023-06-07
- García-Tabarés, Luis; Lafoz, Marcos; Blanco, Marcos; Torres, Jorge; Obradors, Diego; Nájera, Jorge; Navarro, Gustavo; García, Francisco; Sánchez, Andres (June 2020). "New Type of Linear Switched Reluctance Generator for Wave Energy Applications". IEEE Transactions on Applied Superconductivity. 30 (4): 1–5. doi:10.1109/TASC.2020.2981900. ISSN 1558-2515. S2CID 218973574.
- CIEMAT (20 February 2023). "CIEMAT - SCALE (SwitChed reluctAnce Linear motor for Electric ultra-high-speed) NextGenerationEU project". CIEMAT (Centro de Investigaciones Energéticas, Medioambientales y Tecnológicas).
- Mechanic's Magazine, Museum, Register, Journal & Gazette. Knight and Lacey. 1840.
- "FAQ: What's the difference between variable-reluctance linear and hybrid linear steppers?". www.motioncontroltips.com. Retrieved 2023-06-09.
.png.webp)
